Item No :
SI5T/K SIL5T/KSize (d*D*B) :
5x18x36x9mmMaterial :
steel/PTFE with zinc platedLead Time :
normally 3-5 daysWeight :
0.016KGMOQ :
50 PCSRod Ends SI5T/K Female Thread Rod End Bearing
⚙️Product Description:
Structural features: The SI5T/K rod end bearings are of internal thread structure. The threads have left and right distinctions and belong to the self-lubrication series. The sliding contact surfaces are steel and PTFE composite materials. The surface of the rod body can be treated with zinc plating, colored zinc plating, nickel plating, chrome plating, etc.
Material composition: The bearing material is bearing steel (fully quenched type) GCr15, the cage material is carbon steel, and the sliding contact surface uses PTFE composite material.

| Product name | SI5T/K SIL5T/K rod end bearing |
| Size | 5x18x36x9mm |
| Material | steel/PTFE with zinc plated |
| Weight | 0.016KG |
| lead time | normally 3-5 days |
| Package | Single box +Carton +Pallet |
| MOQ | 50 PCS |
| Shipping Port | Guangzhou, Ningbo, Shanghai |
| Payment | 100% T/T or 30% T/T before production, 70% before delivery |
⚙️Performance Advantages:
Due to the use of PTFE composite material, this bearing has self-lubrication properties and can operate normally without lubricant contamination. At the same time, it has a large load capacity and impact resistance, capable of withstanding radial loads, axial loads, or combined loads of both radial and axial directions. It also features corrosion resistance, wear resistance, self-aligning properties, and can operate normally even if the installation is misaligned.

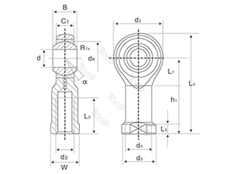
| Model No. | Main Dimensions(mm) | Basic Load Rating | Weight (kg) | ||||||||||||||
| d | d3 | W | B | C1 | h | d2 max | L4 max | L5 max | d4 max | d5 max | dk | L3 min | a'≈ | Dyn.C (kgf) | Stat.Co (kgf) | ||
| SI3T/K | 3 | M3x0.5 | 5.5 | 6 | 4.5 | 21 | 12 | 27 | - | 5 | 6.5 | - | 10 | - | 1.8 | 3.58 | 0.006 |
| SI4T/K | 4 | M4x0.7 | 8 | 7 | 5.3 | 24 | 14 | 31 | - | 7.8 | 9.5 | - | 12 | - | 3.2 | 4.9 | 0.009 |
| SI5T/K | 5 | M5x0.8 | 9 | 8 | 6 | 27 | 18 | 36 | 4 | 8.5 | 12 | 11.11 | 8 | 13 | 3.25 | 5.7 | 0.016 |
| SI6T/K | 6 | M6x1 | 11 | 9 | 6.75 | 30 | 20 | 40 | 5 | 10 | 13 | 12.7 | 9 | 13 | 4.3 | 7.2 | 0.027 |
| SI8T/K | 8 | M8x1.25 | 14 | 12 | 9 | 36 | 24 | 48 | 5 | 12.5 | 16 | 15.875 | 12 | 14 | 7.2 | 11.6 | 0.047 |
| SI10T/K | 10 | M10x1.5 | 17 | 14 | 10.5 | 43 | 28 | 57 | 6.5 | 15 | 19 | 19.05 | 15 | 13 | 10 | 14.5 | 0.077 |
| SI12T/K | 12 | M12x1.75 | 19 | 16 | 12 | 50 | 32 | 66 | 6.5 | 17.5 | 22 | 22.225 | 18 | 13 | 13.4 | 17 | 0.115 |
| SI14T/K | 14 | M14x2 | 22 | 19 | 13.5 | 57 | 36 | 75 | 8 | 20 | 26 | 25.4 | 21 | 16 | 17 | 24 | 0.17 |
| SI16T/K | 16 | M16x2 | 24 | 21 | 15 | 64 | 40 | 84 | 8 | 22 | 28 | 28.575 | 24 | 15 | 21.6 | 28.5 | 0.23 |
| SI18T/K | 18 | M18x1.5 | 27 | 23 | 16.5 | 71 | 44 | 93 | 10 | 25 | 31 | 31.7 | 27 | 15 | 26 | 42.5 | 0.32 |
| SI20T/K | 20 | M20x1.5 | 30 | 25 | 18 | 77 | 48 | 101 | 10 | 27.5 | 35 | 34.925 | 30 | 14 | 31.5 | 42.5 | 0.42 |
| SI22T/K | 22 | M22x1.5 | 32 | 28 | 20 | 84 | 54 | 111 | 12 | 30 | 38 | 38.1 | 32 | 15 | 38 | 57 | 0.54 |
| SI25T/K | 25 | M24x2 | 36 | 31 | 22 | 94 | 60 | 124 | 12 | 33.5 | 42 | 42.85 | 36 | 15 | 47.5 | 68 | 0.75 |
| SI28T/K | 28 | M27x2 | 41 | 35 | 24 | 103 | 66 | 136 | 14 | 37 | 46 | 47.6 | 41 | 15 | 55 | 75.5 | 0.82 |
| SI30T/K | 30 | M30x2 | 46 | 37 | 25 | 110 | 70 | 145 | 15 | 40 | 50 | 50.8 | 45 | 17 | 64 | 88 | 1.3 |
Widely used in engineering hydraulic cylinders, forging machines, construction machinery, automation equipment, automotive shock absorbers, hydraulic machinery, etc. It can be applied to the ends of control rods, steering link rods, tie rods, etc., to achieve precise hinge connections.
| 1. Keep clean | 2. Use with caution | 3. appropriate tool | 4. Hot-loading | 5. Be careful of rust |
| Dust will have a bad effect on the bearing, so keep the surrounding clean. | Strong impact during use can easily cause scratches and indentations. | Avoid replacing existing tools, and use appropriate tools. | Bearings are precision parts, so hot installation is recommended. | Sweat on your hands during operation will cause rust, so it is best to wear gloves. |
![]() |
![]() |
![]() |
![]() |
![]() |
![]() |
![]() |
![]() |
![]() |
Hi! Click one of our members below to chat on